|
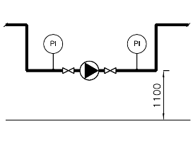
Pumpun asennus
Pumpun voi asentaa joko meno- tai paluujohtoon. Asennuksessa on huomioitava
pumpun huolto. Pumpun varusteiksi asennetaan sulkuventtiilit ja painemittarit
molemmille puolille pumppua. Painemittarit tarvitaan toiminnan tarkkailua varten.

|